| |
Address:
No.130 West Genta Road, Zhuji, Zhejiang, China¡¡¡¡
Telphone:
86-575-87105788¡¡
Fax: 86-575-87105781¡¡
Mobile: 86-13906857480
E-mail: jointhand@jointhand.net
Map of Area |
|
| ¡¡ELECTRO- FUSION FITTINGS |
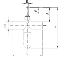
| Electro Fusion Syphon Pot |
|
 |
|
|¦Ì D |
L |
A |
B |
E |
H |
| 63 |
230 |
230 |
32 |
95 |
600 |
| 90 |
280 |
230 |
32 |
95 |
700 |
| 110 |
380 |
230 |
32 |
95 |
770 |
| 160 |
430 |
230 |
32 |
95 |
770 |
| 200 |
420 |
230 |
32 |
95 |
700 |
| 250 |
520 |
230 |
32 |
95 |
780 |
| 315 |
620 |
230 |
32 |
95 |
890 |
|